Recommended Products
咨询热线:
0519-82518168
电话:18922852877
邮箱:jacky@xbwsemi.com
QQ:523062883
地址:江苏省常州市金坛区儒林开发区长丰路18号
在现代电子电路与电力系统中,整流器是不可或缺的基础元器件,其核心作用是将方向交替变化的交流电(AC) 转换为方向固定、大小相对稳定的直流电(DC),为LED、芯片、传感器、电机驱动、电源模块等绝大多数直流用电设备提供稳定的供电基础。从手机充电器、家电电源,到工业供电、新能源设备,整流器都是电能转换的关键环节,其工作原理围绕半导体器件的单向导电特性展开,主要分为半波整流、全波整流、桥式整流三大核心类型。
一、整流器的核心基础:单向导电特性
整流器的工作依赖二极管这一核心半导体器件,二极管具有典型的单向导电性:当阳极接高电位、阴极接低电位时,二极管正向导通,电流可顺利通过;当阳极接低电位、阴极接高电位时,二极管反向截止,电流无法流通。正是利用这一特性,整流器能够“筛选”交流电的正负半周,将交替变化的电流转化为单一方向的直流电流,这是整流工作的根本原理。

二、三种主流整流电路的工作原理
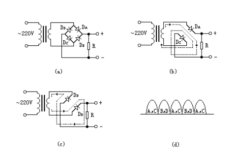
1. 半波整流:最简单的基础整流
半波整流是结构最简易的整流方式,仅由一个二极管与负载串联组成。交流电输入时,正半周到来时二极管正向导通,电流流经负载形成回路;负半周到来时二极管反向截止,电路中无电流通过。
这种方式仅利用了交流电的半个周期,输出的直流电为断续的脉冲波形,效率低、纹波大,仅适用于对电源稳定性要求极低的简易电路,是整流原理的基础演示形式。

2. 全波整流:利用双绕组提升效率
全波整流需要两个二极管配合带中心抽头的变压器工作,变压器次级绕组分为对称的两部分,两个二极管分别连接绕组两端,共同接向负载。交流电输入时,正负半周分别驱动两个二极管交替导通,两个半周的电流最终都以相同方向流过负载,实现了全周期的电流利用。
相较于半波整流,全波整流输出的直流电连续性更好、效率更高,但缺点是需要专用的中心抽头变压器,体积和成本更高,应用场景相对受限。

3. 桥式整流:最常用的高效整流
桥式整流是目前应用最广泛的整流形式,由四个二极管接成电桥结构,无需中心抽头变压器,适配普通交流输入。其工作原理为:交流电正半周时,一组对角的两个二极管导通,另一组截止;负半周时,另一组对角的二极管导通,原先导通的一组截止。
无论交流电正负半周如何变化,电流始终以同一方向流过负载,完整利用了交流电的全部周期,输出效率高、波形平稳,是电源适配器、开关电源、工业整流设备的首选方案,也是我们日常电子设备中最常见的整流形式。

三、整流后的关键环节:滤波与稳压
经过整流器输出的电流,虽为单一方向的直流电,但仍存在电压波动(纹波),无法直接供给精密电子元件使用。因此在整流电路后,通常会搭配电容、电感组成滤波网络,滤除脉冲纹波,将波动的直流电转化为平滑的直流电;部分高精度电路还会增加稳压芯片,进一步稳定输出电压,确保供电的纯净与稳定。
四、整流器的核心价值与应用
整流器的本质是电能形态的转换器件,依托二极管单向导电的核心原理,实现了交流电到直流电的精准转换。它小到手机充电头、LED驱动,大到汽车发电机、新能源充电桩、工业变频设备,都是电能转换的核心部件,直接决定了供电系统的效率、稳定性与可靠性。

理解整流器的工作原理,是掌握电源电路、电子电力技术的基础,也能清晰认识到这一基础元器件在现代电子设备中不可替代的作用。